Jiangsu Youchengzhixin Electromechanical Equipment Co., Ltd

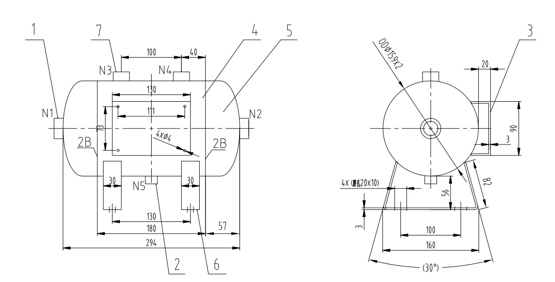
ASME-BW005AG09: 5L Horizontal Stainless Steel Air Receiver Tank ASME UM

The 5L ASME stainless steel air receiver tank features a compact, lightweight design and ASME certified for safety. Its corrosion-resistant 304 stainless steel construction ensures clean air for sensitive applications. Large stock for quick delivery.

Get a Quote

Specification of 5L ASME Stainless Steel Air Receiver Tanks

Reasons to Buy YCZX 5L ASME Stainless Steel Air Receiver Tanks

01
Corrosion Resistance

Stainless steel offers superior resistance to rust and corrosion, ensuring air purity.

02
ASME Certified Safety

Manufactured to ASME standards, guaranteeing rigorous design, testing, and safety.


03
Compact & Space-Efficient

The 5L capacity provides essential air storage and ideal for limited spaces or integrated systems.

04
Quick delivery

The existing ASME air receiver tanks, ensure fast delivery.

YCZX Existing ASME Air Receiver Tanks


P/NMaterialVolume (L)Pressure (bar)Thickness (mm)Diameter (mm)Length (mm)Weight(kg)StructureCertification
ASME-BW005AG09Stainless Steel512.521592944.2HorizontalASME UM
ASME-BW010AG09Stainless Steel1012.521595806.3HorizontalASME UM
ASME-BW020AG09Stainless Steel2012.522196007.5HorizontalASME UM
ASME-TW005AG07Carbon Steel51331593255.5HorizontalASME UM
ASME-TW010AG07Carbon Steel101331804307.9HorizontalASME UM
ASME-TW020AG07Carbon Steel2012.5324050012HorizontalASME UM
ASME-TW040AG01Carbon Steel408327365016HorizontalASME UM
ASME-TW050AG01Carbon Steel508330070020.1HorizontalASME UM
ASME-TL060AG01Carbon Steel608330085023.4VerticalASME UM
ASME-TW080AG01Carbon Steel808335080027.5HorizontalASME UM
ASME-TW100AG01Carbon Steel10083350104037.5HorizontalASME UM
CustomizedCarbon SteelCustomizedCustomizedCustomizedCustomizedCustomizedCustomizedCustomizedASME U/UM


Get In Touch
Get In Touch
No. 725, Hongyang Road, Bacheng Town, Kunshan, Jiangsu Province
We use cookies to offer you a better browsing experience, analyze site traffic and personalize content. Part of the tracking is necessary to ensure SEO effectiveness,
By using this site, you agree to our use of cookies. Visit our cookie policy to learn more.
Reject Accept