Phone:
400-189-1188
Space-Saving Vertical Design
The vertical 280x500mm orientation minimizes floor space use, ideal for tight corners, and promotes efficient condensate drainage to the bottom.
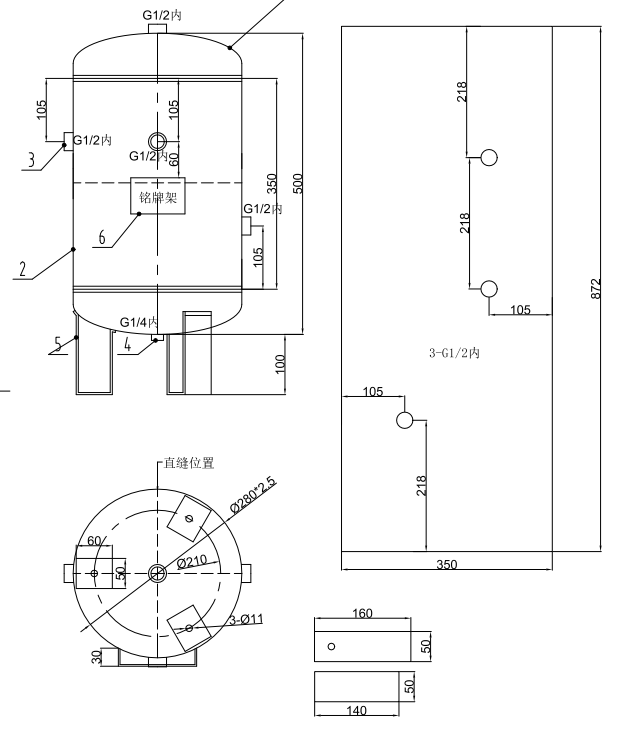
30L vertical air tank, 10 bar working pressure, dimension Φ280×500mm, carbon steel, 5 ports. Stable performance, safe and reliable, immediate delivery available, suitable for air compressors and pneumatic systems.
The vertical 280x500mm orientation minimizes floor space use, ideal for tight corners, and promotes efficient condensate drainage to the bottom.
The 30L capacity at 10 bar provides a significant air buffer to stabilize system pressure and reduce compressor load cycles.
Featuring 5 ports, it allows for versatile connections for air lines, drains, pressure gauges, and safety valves.
"Immediate delivery" ensures rapid shipment, minimizing downtime for system installation, expansion, or urgent maintenance needs.
| P/N | Pressure (bar) | L*D*H(mm) | Thickness(mm) | Package Size(mm) | Net Weight(KG) | Gross Weight(KG) | Ports |
| 5L vertical | 12 | 300*200*350 | 2 | 300*200*350 | 3.8 | 4 | 6: G1/4 |
| 10L Vertical | 12 | 460*180*520 | 2 | 530*250*255 | 4.45 | 5.1 | 4:G1/2, 1:G1/4 |
| 20L Vertical | 12 | 350*280*462 | 2.5 | 480*330*300 | 9.4 | 10 | 4:G1/2, 1:G1/4 |
| 30L Vertical | 10 | 500*280*600 | 2.5 | 620*320*290 | 11.5 | 12.3 | 4:G1/2, 1:G1/4 |
| 40L Vertical | 10 | 600*300*700 | 3 | 725*330*315 | 14.15 | 15.35 | 4:G1/2, 1:G1/4 |
| 50L Vertical | 8 | 700*300*812 | 3 | 825*310*335 | 16.15 | 17.35 | 4:G1/2, 1:G1/4, 1: G1 |
| 60L Vertical | 10 | 850*300*962 | 3 | 972*320*330 | 18.55 | 19.85 | 5:G1/2, 1: G1 |
| 60L Vertical ASME | 8 | 337*850*968 | 3 | / | 24 | 25 | 3:G1/2, 2:G3/4, 1: G1 |
| 60L Vertical CE | 8 | 337*850*968 | 3 | / | 24 | 25 | 3:G1/2, 2:G3/4, 1: G1 |
| 80L Vertical | 12 | 650*470*482 | 3.5 | / | 25.2 | 25.2 | 5:G1/2, 1: G1 |
| 100L-A Vertical | 10 | 1240*350*1400 | 3 | / | 38 | 38 | 2:G1/4, 1:G3/4, 2: G1 |
| 100L-B Vertical | 12 | 800*400*932 | 3 | / | 30 | 30 | 5:G1/2, 1:G1/4 |
| 300L-8 bar Vertical | 8 | φ550*1525 | 3 | / | 73 | 73 | DN25 |
| 300L-10bar Vertical | 10 | φ550*1525 | 3 | / | 82 | 82 | DN25 |
| 300L-13bar Vertical | 13 | φ550*1525 | 3.5 | / | 82 | 82 | DN25 |
| 300L-16bar Vertical | 16 | φ550*1525 | 4.5 | / | 105 | 105 | DN25 |
| 300L-30bar Vertical | 30 | φ550*1525 | 8 | / | 201 | 201 | DN40 |
| 300L-40bar Vertical | 40 | φ550*1525 | 10 | / | 230 | 230 | DN40 |
| 600L-8 bar Vertical | 8 | φ650*2050 | 3 | / | 112 | 112 | DN65 |
| 600L-10 bar Vertical | 10 | φ650*2050 | 3 | / | 118 | 118 | DN65 |
| 600L-13 bar Vertical | 13 | φ650*2050 | 3.5 | / | 132 | 132 | DN40 |
| 600L-16 bar Vertical | 16 | φ650*2050 | 4.5 | / | 170 | 170 | DN40 |
| 600L-30 bar Vertical | 30 | φ650*2050 | 8 | / | 310 | 310 | DN40 |
| 600L-40 bar Vertical | 40 | φ650*2050 | 10 | / | 420 | 420 | DN40 |
| 1m³-8 bar Vertical | 8 | φ800*2140 | 3.5 | / | 170 | 170 | DN80 |
| 1m³-10 bar Vertical | 10 | φ780*2080 | 3.5 | / | 156 | 156 | DN40 |
| 1m³-13 bar Vertical | 13 | φ780*2080 | 4.5 | / | 200 | 200 | DN40 |
| 1m³-16 bar Vertical | 16 | φ780*2080 | 5.5 | / | 286 | 286 | DN40 |
| 1m³-20 bar Vertical | 20 | φ800*2140 | 8 | / | 390 | 390 | DN40 |
| 1m³-30 bar Vertical | 30 | φ800*2140 | 10 | / | 472 | 472 | DN40 |
| 1m³-40 bar Vertical | 40 | φ800*2140 | 12 | / | 590 | 590 | DN40 |
| 1m³-60 bar Vertical | 60 | φ800*2322 | 20 | 1000 | 1000 | DN40,DN100 | |
| 1.5m³-8 bar Vertical | 8 | φ980*2180 | 4 | / | 240 | 240 | DN80 |
| 1.5m³-10 bar Vertical | 10 | φ980*2180 | 4.5 | / | 270 | 270 | DN80 |
| 1.5m³-13 bar Vertical | 13 | φ1000*2268 | 5.5 | / | 365 | 365 | DN50 |
| 1.5m³-30 bar Vertical | 30 | φ1000*2268 | 12 | / | 750 | 750 | DN80 |
| 2m³-8 bar Vertical | 8 | φ980*2680 | 4 | / | 295 | 295 | DN80 |
| 2m³-10 bar Vertical | 10 | φ980*2680 | 4.5 | / | 325 | 325 | DN50 |
| 2m³-13 bar Vertical | 13 | φ1000*2750 | 5.5 | / | 432 | 432 | DN80 |
| 2m³-16 bar Vertical | 16 | φ1000*2750 | 7 | / | 552 | 552 | DN80 |
| 2m³-20 bar Vertical | 20 | φ1000*2750 | 8 | / | 615 | 615 | DN50 |
| 2m³-25 bar Vertical | 25 | φ1000*2750 | 10 | 765 | 765 | DN50 | |
| 2m³-30 bar Vertical | 30 | φ1000*2750 | 12 | / | 905 | 905 | DN50 |
| 2m³-40 bar Vertical | 40 | φ1000*2750 | 16 | / | 1250 | 1250 | DN50 |
| 3m³-8 bar Vertical | 8 | φ1200*2800 | 4.5 | / | 430 | 430 | DN80 |
| 3m³-10 bar Vertical | 10 | φ1200*2800 | 5.5 | / | 545 | 545 | DN80 |
| 3m³-13 bar Vertical | 13 | φ1200*2870 | 7 | / | 625 | 625 | DN80 |
| 3m³-16 bar Vertical | 16 | φ1200*2870 | 8 | / | 740 | 740 | DN80 |
| 3m³-25 bar Vertical | 25 | φ1200*2870 | 12 | / | 1130 | 1130 | DN80 |
| 3m³-30 bar Vertical | 30 | φ1200*2800 | 14 | / | 1300 | 1300 | DN80 |
| 4m³-8 bar Vertical | 8 | φ1400*2870 | 5 | / | 680 | 680 | DN100 |
| 4m³-10 bar Vertical | 10 | φ1400*2870 | 6 | / | 780 | 780 | DN100 |
| 4m³-13 bar Vertical | 13 | φ1400*2950 | 8 | / | 920 | 920 | DN100 |
| 5m³-8 bar Vertical | 8 | φ1400*3450 | 5 | / | 790 | 790 | DN100 |
| 5m³-10 bar Vertical | 10 | φ1400*3470 | 6 | / | 860 | 860 | DN100 |
| 5m³-13 bar Vertical | 13 | φ1400*3550 | 8 | / | 1065 | 1065 | DN100 |
| 6m³-8 bar Vertical | 8 | φ1400*4100 | 5 | / | 816 | 816 | DN100 |
| 6m³-10 bar Vertical | 10 | φ1400*4100 | 6 | / | 1030 | 1030 | DN100 |
| 8m³-8 bar Vertical | 8 | φ1600*4100 | 5.5 | / | 1140 | 1140 | DN125 |
| 8m³-10 bar Vertical | 10 | φ1600*4100 | 6.5 | / | 1350 | 1350 | DN125 |
| 8m³-16 bar Vertical | 16 | φ1600*4070 | 10 | / | 1820 | 1820 | DN125 |
| 8m³-20 bar Vertical | 20 | φ1600*4070 | 12 | / | 2490 | 2490 | DN125/DN400 |
| 10m³-8 bar Vertical | 8 | φ1800*4162 | 6 | / | 1380 | 1380 | DN150 |
| 10m³-10 bar Vertical | 10 | φ1800*4166 | 7.5 | / | 1640 | 1640 | DN250 |
| 10m³-13bar Vertical | 13 | φ1800*4166 | 10 | / | 2080 | 2080 | DN150 |
| 10m³-16bar Vertical | 16 | φ1800*4166 | 12 | / | 2615 | 2615 | DN150 |
| 15m³-10bar Vertical | 10 | φ2000*5100 | 8 | / | 2280 | 2280 | DN150 |
| 20m³-8 bar Vertical | 8 | φ2100*6150 | 7 | / | 2580 | 2580 | DN200 |
| 20m³-10 bar Vertical | 10 | φ2100*6150 | 8.5 | / | 3090 | 3090 | DN200 |
| 20m³-16 bar Vertical | 16 | φ2100*6150 | 12 | 4570 | 4570 | DN200 | |
| 25m³-8 bar Vertical | 8 | φ2400*6080 | 9 | / | 3810 | 3810 | DN200 |
| 5L vertical | 12.5 | 300*174*375 | 2 | 380*205*200 | 2.85 | 3.2 | 3: G1/2, 1:G1/4 |
| 5L vertical frosted | 12.5 | 290*175*355 | 2 | 380*205*200 | 2.85 | 3.2 | 2: G1/2, 1:G1/4 |
| 10L vertical | 12.5 | 345*234*420 | 3 | 430*239*365 | 6 | 6.5 | 4: G1/2, 1:G1/4 |
| 20L vertical | 12.5 | 430*260*545 | 3 | 450*280*565 | 9.4 | 10.6 | 5: G1/2, 1:G1/4 |
| 300L-8 bar Vertical | 8 | φ550*1612 | |||||
| 300L-10 bar Vertical | 10 | φ550*1612 | / | ||||
| 300L-13 bar Vertical | 13 | φ550*1614 | |||||
| 300L-16 bar Vertical | 16 | φ550*1614 | |||||
| 600L-8 bar Vertical | 8 | φ650*2134 | / | ||||
| 600L-10 bar Vertical | 10 | φ650*2135 | / | ||||
| 600L-13 bar Vertical | 13 | φ650*2136 | |||||
| 600L-16 bar Vertical | 16 | φ650*2136 | |||||
| 1m³-8 bar Vertical | 8 | φ800*2258 | / | ||||
| 1m³-10 bar Vertical | 10 | φ800*2260 | / | ||||
| 1m³-13 bar Vertical | 13 | φ800*2260 | / | ||||
| 1m³-16 bar Vertical | 16 | φ800*2260 | / | ||||
| 1.5m³-13 bar Vertical | 13 | φ1000*2291 | |||||
| 1.5m³-16 bar Vertical | 16 | φ1000*2291 | |||||
| 2m³-8 bar Vertical | 8 | φ1000*2838 | / | ||||
| 2m³-10 bar Vertical | 10 | φ1000*2838 | / | ||||
| 2m³-13 bar Vertical | 13 | φ1000*2810 | |||||
| 2m³-16 bar Vertical | 16 | φ1000*2810 | / | ||||
| 3m³-8 bar Vertical | 8 | φ1200*2952 | |||||
| 3m³-10 bar Vertical | 10 | φ1200*2954 | |||||
| 3m³-13 bar Vertical | 13 | φ1200*2958 | |||||
| 3m³-16 bar Vertical | 16 | φ1200*2958 | / | ||||
| 4m³-8 bar Vertical | 8 | φ1400*3074 | |||||
| 4m³-10 bar Vertical | 10 | φ1400*3078 | |||||
| 4m³-13 bar Vertical | 13 | φ1400*3078 | |||||
| 4m³-16 bar Vertical | 16 | φ1400*3078 | |||||
| 5m³-8 bar Vertical | 8 | φ1400*3752 | |||||
| 5m³-10 bar Vertical | 10 | φ1400*3754 | / | ||||
| 5m³-13 bar Vertical | 13 | φ1400*3754 | |||||
| 5m³-16 bar Vertical | 16 | φ1400*3754 | |||||
| 6m³-8 bar Vertical | 8 | φ1400*4362 | |||||
| 6m³-10 bar Vertical | 10 | φ1400*4364 | |||||
| 6m³-13 bar Vertical | 13 | φ1400*4364 | |||||
| 6m³-16 bar Vertical | 16 | φ1400*4364 | |||||
| 8m³-13 bar Vertical | 13 | φ1600*4464 | |||||
| 8m³-16 bar Vertical | 16 | φ1600*4466 |