The configuration of 4×G3/8, 2×G1/8, and 1×G1-1/4 ports allows simultaneous connection to multiple tools, accessories (like pressure gauges or safety valves), or branching lines, offering exceptional system integration flexibility.
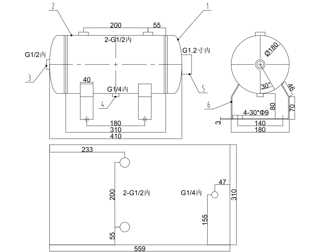
This is a 10L portable air tank with high bracket, designed for reliable compressed air storage. It features 4×G3/8, 2×G1/8, and 1×G1‑1/4 ports for flexible connection. Stable, durable, and ready for immediate shipment. Applications: Portable compressors, pneumatic tools, small automation systems, mobile pneumatic setups and on‑site air supply.
The configuration of 4×G3/8, 2×G1/8, and 1×G1-1/4 ports allows simultaneous connection to multiple tools, accessories (like pressure gauges or safety valves), or branching lines, offering exceptional system integration flexibility.
The integrated high bracket ensures safe, upright transport and stable storage, preventing rolling or damage, which is essential for a portable tank used across job sites.
"Immediate shipment" eliminates lead time, enabling quick deployment for urgent projects, emergency repairs, or as a ready replacement, minimizing operational downtime.
The 10L volume provides a substantial air reserve for powering tools or inflating tasks, while remaining manageable in size and weight for true portability, enhanced by the practical multi-port setup.
| P/N | Pressure (bar) | L*D*H(mm) | Thickness(mm) | Package Size(mm) | Net Weight(KG) | Gross Weight(KG) | Ports |
| 1L | 12 | 175*125*108 | 3 | 180*180*240 | 1.3 | 1.6 | 3: G1/4 |
| 2L | 12 | 230*110*130 | 2 | 240*140*140 | 1.8 | 1.9 | 4: G1/4 |
| 3L-A | 12 | 160*160*220 | 2 | 180*180*240 | 1.9 | 2.15 | 4: G1/4 |
| 3L-B | 12 | 160*160*170 | 2 | 180*180*240 | 1.75 | 2.3 | 3: G1/4 |
| 3L-C | 12 | 200*140*180 | 2 | 230*170*195 | 1.95 | 2.15 | 3:G1/4, 1:G1/2 |
| 4L | 12 | 260*160*190 | 2 | 280*170*210 | 2.6 | 2.9 | 5: G1/4 |
| 5L-A | 12 | 300*160*190 | 2 | 320*170*125 | 3.15 | 3.45 | 5: G1/2 |
| 5L-B | 12 | 300*160*190 | 2 | 320*170*220 | 3.05 | 3.35 | 5:G1/4 |
| 5L-C | 12 | 355*140*160 | 2 | 370*150*180 | 3 | 3.35 | 5:G1/2 |
| 5L-D | 12 | 300*160*250 | 2 | 310*170*270 | 3.2 | 3.55 | 4:G1/2, 1:G1/4 |
| 5L-E | 12 | 270*160*190 | 2 | 280*180*200 | 2.6 | 2.9 | 3:G1/4, 2:G1/2 |
| 5L-H | 12 | 300*210*160 | 2 | 335*185*235 | 3.6 | 3.85 | 4:G1/4 |
| 5L high pressure | 50 | 290*159*249 | 5 | 300*180*260 | 6.6 | 7.6 | 3:G1/4, 2:G1/2 |
| 5L vertical | 12 | 300*200*350 | 2 | 300*200*350 | 3.8 | 4 | 6: G1/4 |
| 5L ASME | 13 | 345*162*209 | 3 | / | 5 | 5.5 | 3:G1/2, 2:G3/4 |
| 7L blue | 12 | 300*180*245 | 2 | 310*200*260 | 3.8 | 4.15 | 2:G1/2, 1: G3/8 |
| 7L grey | 12 | 385*180*225 | 2 | 395*190*240 | 4.15 | 4.55 | 3:G1/2, 2:G1/4 |
| 8L-B | 12 | 430*160*210 | 2 | 450*170*215 | 3.95 | 4.4 | 4:G1/2, 1:G1/4 |
| 10L-A | 12 | 470*180*185 | 2 | 490*200*215 | 4.65 | 5.15 | 2:G1/4, 2: G3/8 |
| 10L-B | 12 | 440*180*215 | 2.5 | 450*190*240 | 4.65 | 5.05 | 4:G1/2, 1:G1/4 |
| 10L-D | 12 | 447*180*260 | 2.5 | 467*200*280 | 5.05 | 5.35 | 4: G3/8, 2:G1/8, 1:G1-1/4 |
| 10L-E | 12 | 440*200*260 | 2.5 | 450*210*270 | 5.35 | 5.95 | 4:G1/2, 2:G1/4 |
| 10L-H | 12 | 465*200*275 | 2.5 | 460*200*280 | 6.65 | 7.15 | 3:G1/2, 3:G1/4 |
| 10L high pressure | 50 | 544*159*221 | 5 | 568*250*180 | 9.7 | 11 | 4:G1/2, 1:G1/4 |
| 10L Vertical | 12 | 460*180*520 | 2 | 530*250*255 | 4.45 | 5.1 | 4:G1/2, 1:G1/4 |
| 10L ASME | 13 | 450*183*235 | 3 | / | 7.9 | 8.4 | 2:G1/2, 1:G1/4,2:G3/4 |
| 10L CE | 12 | 562*188*269 | 3 | / | 9 | 9.5 | 3:G1/2, 1:G1/4,2:G1 |
| 12L-A | 12 | 320*236*318 | 2.5 | 330*250*330 | 4.75 | 5.35 | 3:G1/2, 1:G1/4 |
| 15L | 12 | 390*236*290 | 2.5 | 400*250*320 | 5.75 | 6.3 | 4:G1/2, 1:G1/4 |
| 20L-A | 12 | 360*280*335 | 2.5 | 390*300*350 | 8.7 | 9.4 | 4:G1/2, 1:G1/4 |
| 20L-B | 12 | 280*350*400 | 2.5 | 400*370*300 | 9.1 | 9.3 | 2:G1/2, 1:G1/4 |
| 20L-C | 12 | 240*315*440 | 2.5 | 450*315*250 | 8.25 | 8.55 | 2:G1/2, 2:G1/4 |
| 20L high pressure | 50 | 626*289*219 | 5 | 650*230*300 | 21.7 | 24 | 4:G1/2, 1:G1/4 |
| 20L Vertical | 12 | 350*280*462 | 2.5 | 480*330*300 | 9.4 | 10 | 4:G1/2, 1:G1/4 |
| 20L ASME | 13 | 540*243*315 | 3 | / | 12 | 12.5 | 2:G1/2, 2:G1/4,2:G3/4 |
| 20L CE | 12.5 | 714*223*296.5 | 3 | 13.5 | 14 | 3:G1/2, 1:G1/4,2:G1 | |
| 24L-A | 12 | 500*236*305 | 2.5 | 510*250*325 | 7.15 | 7.85 | 3:G1/2, 1:G1/4 |
| 24L-B | 12 | 500*236*261 | 2.5 | 520*250*275 | 7.1 | 7.75 | 7:G1/2, 1:G1/4 |
| 24L-C | 12 | 500*236*261 | 2.5 | 510*250*285 | 7 | 7.65 | 4:G1/2, 1:G1/4 |
| 24L-D | 12 | 500*236*261 | 2.5 | 535*246*310 | 7.15 | 8 | 3:G1/2, 1:G1/4, 1: G1 |
| 30L-A | 12 | 450*320*355 | 2.5 | 490*330*370 | 13.55 | 14.55 | 7:G1/2, 1:G1/4 |
| 30L-B | 12 | 450*320*350 | 2.5 | 490*330*370 | 13.55 | 14.44 | 4:G1/2, 1:G1/4 |
| 30L-C | 12 | 650*236*300 | 2.5 | 670*250*315 | 8.75 | 9.6 | 4:G1/2, 1:G1/4 |
| 30L Vertical | 10 | 500*280*600 | 2.5 | 620*320*290 | 11.5 | 12.3 | 4:G1/2, 1:G1/4 |
| 35L | 8 | 722*236*275 | 2.5 | 740*250*285 | 9.35 | 10.15 | 4:G1/2, 1:G1/4 |
| 40L | 12 | 650*280*330 | 2.5 | 670*290*355 | 14.25 | 15.2 | 5:G1/2, 1:G1/4 |
| 40L Vertical | 10 | 600*300*700 | 3 | 725*330*315 | 14.15 | 15.35 | 4:G1/2, 1:G1/4 |
| 40L with handle | 12 | 660*280*630 | 2.5 | 670*320*350 | 18.14 | 18.6 | 3:G1/2, 1:G1/4, 1: G3/4 |
| 40L ASME | 8 | 686*293*325 | 3 | / | 16 | 17 | 4:G1/2, 1:G1/4, 2: G3/4 |
| 8 | 686*293*325 | 4 | / | 16 | 17 | 4:G1/2, 1:G1/4, 2: G3/4 | |
| 45L | 12 | 530*320*380 | 3 | 580*340*395 | 14.95 | 16 | 4:G1/2, 1:G1/4 |
| 50L-A | 12 | 550*320*380 | 3 | 580*340*395 | 15.45 | 16.5 | 4:G1/2, 1:G1/4 |
| 50L-B | 12 | 712*300*392 | 3 | 720*310*400 | 16.35 | 17.5 | 6:G1/2, 1:G1/4 |
| 50L Vertical | 8 | 700*300*812 | 3 | 825*310*335 | 16.15 | 17.35 | 4:G1/2, 1:G1/4, 1: G1 |
| 50L ASME | 8 | 736*332*392 | 3 | / | 20 | 21 | 3:G1/2, 1:G1/4, 2: G3/4 |
| 50L CE | 8 | 736*332*392 | 3 | / | 20 | 21 | 3:G1/2, 1:G1/4, 2: G3/4 |
| 60L-A | 12 | 860*300*355 | 3 | 880*300*360 | 19.3 | 20.55 | 4:G1/2, 1:G1/4, 1: G1 |
| 60L Vertical | 10 | 850*300*962 | 3 | 972*320*330 | 18.55 | 19.85 | 5:G1/2, 1: G1 |
| 60L Vertical ASME | 8 | 337*850*968 | 3 | / | 24 | 25 | 3:G1/2, 2:G3/4, 1: G1 |
| 60L Vertical CE | 8 | 337*850*968 | 3 | / | 24 | 25 | 3:G1/2, 2:G3/4, 1: G1 |
| 60L CE | 12 | 940*325*362 | 3 | / | 24.5 | 25 | 3:G1/2, 1:G1/4, 2: G1 |
| 80L | 12 | 850*350*420 | 3 | / | 25.8 | 25.8 | 4:G1/2, 1:G1/4, 2: G1 |
| 80L Vertical | 12 | 650*470*482 | 3.5 | / | 25.2 | 25.2 | 5:G1/2, 1: G1 |
| 80L ASME | 8 | 870*370*412 | 3 | / | 27.5 | 28 | 3:G1/2, 1:G1/4, 2:G1-1/2 |
| 80L CE | 8 | 870*370*412 | 3 | / | 27.5 | 28 | 3:G1/2, 1:G1/4, 2:G1-1/2 |
| 100L-A | 12 | 1040*350*420 | 3 | / | 40.6 | 40.6 | 4:G1/2, 1:G1/4, 2:G1-1/4 |
| 100L-B | 8.4 | 1040*350*355 | 3 | / | 31.8 | 31.8 | 4:G1/2, 1:G1/4, 2: G1 |
| 100L ASME | 8 | 1075*370*388.5 | 3 | / | 37.5 | 38 | 4:G1/2, 1:G1/4, 2:G1-1/2 |
| 100L CE | 8 | 1075*370*388.5 | 3 | / | 37.5 | 38 | 4:G1/2, 1:G1/4, 2:G1-1/2 |
| 125L | 12 | 1000*400*450 | 3 | / | 36.5 | 36.5 | 5:G1/2, 1:G1/4, 2: G1 |
| 130L | 12 | 1050*400*456 | 3 | / | 38.1 | 38.1 | 2:G1-1/2 , 1:G1/4 |
| 150L | 8 | 1340*400*495 | 3.5 | / | 45 | 45 | 4:G1/2, 2:G1/4, 2:G1-1/4 |
| 180L with plate | 12 | 1400*400*485 | 3 | / | 60 | 60 | 2: G1-1/4, 1:G1/4, 6:G1/2 |
| 300L with plate | 12 | 1600*500*600 | 3 | / | 106 | 106 | 2: G2, 1:G1/4, 4:G1/4 |
| 500L with plate | 12 | 1700*600*760 | 3 | 1740*630*745 | 130 | 140 | 2: G2, 6:G1/2 |
| 100L-A Vertical | 10 | 1240*350*1400 | 3 | / | 38 | 38 | 2:G1/4, 1:G3/4, 2: G1 |
| 100L-B Vertical | 12 | 800*400*932 | 3 | / | 30 | 30 | 5:G1/2, 1:G1/4 |
| 300L-8 bar Vertical | 8 | φ550*1525 | 3 | / | 73 | 73 | DN25 |
| 300L-10bar Vertical | 10 | φ550*1525 | 3 | / | 82 | 82 | DN25 |
| 300L-13bar Vertical | 13 | φ550*1525 | 3.5 | / | 82 | 82 | DN25 |
| 300L-16bar Vertical | 16 | φ550*1525 | 4.5 | / | 105 | 105 | DN25 |
| 300L-30bar Vertical | 30 | φ550*1525 | 8 | / | 201 | 201 | DN40 |
| 300L-40bar Vertical | 40 | φ550*1525 | 10 | / | 230 | 230 | DN40 |
| 600L-8 bar Vertical | 8 | φ650*2050 | 3 | / | 112 | 112 | DN65 |
| 600L-10 bar Vertical | 10 | φ650*2050 | 3 | / | 118 | 118 | DN65 |
| 600L-13 bar Vertical | 13 | φ650*2050 | 3.5 | / | 132 | 132 | DN40 |
| 600L-16 bar Vertical | 16 | φ650*2050 | 4.5 | / | 170 | 170 | DN40 |
| 600L-30 bar Vertical | 30 | φ650*2050 | 8 | / | 310 | 310 | DN40 |
| 600L-40 bar Vertical | 40 | φ650*2050 | 10 | / | 420 | 420 | DN40 |
| 1m³-8 bar Vertical | 8 | φ800*2140 | 3.5 | / | 170 | 170 | DN80 |
| 1m³-10 bar Vertical | 10 | φ780*2080 | 3.5 | / | 156 | 156 | DN40 |
| 1m³-13 bar Vertical | 13 | φ780*2080 | 4.5 | / | 200 | 200 | DN40 |
| 1m³-16 bar Vertical | 16 | φ780*2080 | 5.5 | / | 286 | 286 | DN40 |
| 1m³-20 bar Vertical | 20 | φ800*2140 | 8 | / | 390 | 390 | DN40 |
| 1m³-30 bar Vertical | 30 | φ800*2140 | 10 | / | 472 | 472 | DN40 |
| 1m³-40 bar Vertical | 40 | φ800*2140 | 12 | / | 590 | 590 | DN40 |
| 1m³-60 bar Vertical | 60 | φ800*2322 | 20 | 1000 | 1000 | DN40,DN100 | |
| 1.5m³-8 bar Vertical | 8 | φ980*2180 | 4 | / | 240 | 240 | DN80 |
| 1.5m³-10 bar Vertical | 10 | φ980*2180 | 4.5 | / | 270 | 270 | DN80 |
| 1.5m³-13 bar Vertical | 13 | φ1000*2268 | 5.5 | / | 365 | 365 | DN50 |
| 1.5m³-30 bar Vertical | 30 | φ1000*2268 | 12 | / | 750 | 750 | DN80 |
| 2m³-8 bar Vertical | 8 | φ980*2680 | 4 | / | 295 | 295 | DN80 |
| 2m³-10 bar Vertical | 10 | φ980*2680 | 4.5 | / | 325 | 325 | DN50 |
| 2m³-13 bar Vertical | 13 | φ1000*2750 | 5.5 | / | 432 | 432 | DN80 |
| 2m³-16 bar Vertical | 16 | φ1000*2750 | 7 | / | 552 | 552 | DN80 |
| 2m³-20 bar Vertical | 20 | φ1000*2750 | 8 | / | 615 | 615 | DN50 |
| 2m³-25 bar Vertical | 25 | φ1000*2750 | 10 | 765 | 765 | DN50 | |
| 2m³-30 bar Vertical | 30 | φ1000*2750 | 12 | / | 905 | 905 | DN50 |
| 2m³-40 bar Vertical | 40 | φ1000*2750 | 16 | / | 1250 | 1250 | DN50 |
| 3m³-8 bar Vertical | 8 | φ1200*2800 | 4.5 | / | 430 | 430 | DN80 |
| 3m³-10 bar Vertical | 10 | φ1200*2800 | 5.5 | / | 545 | 545 | DN80 |
| 3m³-13 bar Vertical | 13 | φ1200*2870 | 7 | / | 625 | 625 | DN80 |
| 3m³-16 bar Vertical | 16 | φ1200*2870 | 8 | / | 740 | 740 | DN80 |
| 3m³-25 bar Vertical | 25 | φ1200*2870 | 12 | / | 1130 | 1130 | DN80 |
| 3m³-30 bar Vertical | 30 | φ1200*2800 | 14 | / | 1300 | 1300 | DN80 |
| 4m³-8 bar Vertical | 8 | φ1400*2870 | 5 | / | 680 | 680 | DN100 |
| 4m³-10 bar Vertical | 10 | φ1400*2870 | 6 | / | 780 | 780 | DN100 |
| 4m³-13 bar Vertical | 13 | φ1400*2950 | 8 | / | 920 | 920 | DN100 |
| 5m³-8 bar Vertical | 8 | φ1400*3450 | 5 | / | 790 | 790 | DN100 |
| 5m³-10 bar Vertical | 10 | φ1400*3470 | 6 | / | 860 | 860 | DN100 |
| 5m³-13 bar Vertical | 13 | φ1400*3550 | 8 | / | 1065 | 1065 | DN100 |
| 6m³-8 bar Vertical | 8 | φ1400*4100 | 5 | / | 816 | 816 | DN100 |
| 6m³-10 bar Vertical | 10 | φ1400*4100 | 6 | / | 1030 | 1030 | DN100 |
| 8m³-8 bar Vertical | 8 | φ1600*4100 | 5.5 | / | 1140 | 1140 | DN125 |
| 8m³-10 bar Vertical | 10 | φ1600*4100 | 6.5 | / | 1350 | 1350 | DN125 |
| 8m³-16 bar Vertical | 16 | φ1600*4070 | 10 | / | 1820 | 1820 | DN125 |
| 8m³-20 bar Vertical | 20 | φ1600*4070 | 12 | / | 2490 | 2490 | DN125/DN400 |
| 10m³-8 bar Vertical | 8 | φ1800*4162 | 6 | / | 1380 | 1380 | DN150 |
| 10m³-10 bar Vertical | 10 | φ1800*4166 | 7.5 | / | 1640 | 1640 | DN250 |
| 10m³-13bar Vertical | 13 | φ1800*4166 | 10 | / | 2080 | 2080 | DN150 |
| 10m³-16bar Vertical | 16 | φ1800*4166 | 12 | / | 2615 | 2615 | DN150 |
| 15m³-10bar Vertical | 10 | φ2000*5100 | 8 | / | 2280 | 2280 | DN150 |
| 20m³-8 bar Vertical | 8 | φ2100*6150 | 7 | / | 2580 | 2580 | DN200 |
| 20m³-10 bar Vertical | 10 | φ2100*6150 | 8.5 | / | 3090 | 3090 | DN200 |
| 20m³-16 bar Vertical | 16 | φ2100*6150 | 12 | 4570 | 4570 | DN200 | |
| 25m³-8 bar Vertical | 8 | φ2400*6080 | 9 | / | 3810 | 3810 | DN200 |