Jiangsu Youchengzhixin Electromechanical Equipment Co., Ltd

100L ASME air tank 8 bar working pressure in stock

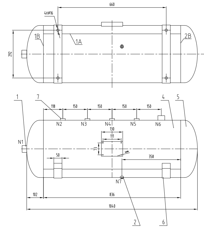
100L ASME vertical air tank, 8 bar working pressure. Ports: 4×G1/2, 1×G1/4, 2×G1‑1/2. Dimension Φ350×1040mm. Full compliance, reliable quality, in stock for fast delivery.

Get a Quote

Specification of 100L ASME air tank 8 bar working pressure in stock

100l-asme-air-tank-8-bar-working-pressure-in-stock-specification-2
100l-asme-air-tank-8-bar-working-pressure-in-stock-specification-1

Reasons to Buy 100L ASME air tank 8 bar working pressure in stock

01
ASME Certified for US Compliance

Manufactured and stamped to ASME Boiler and Pressure Vessel Code standards, ensuring full legal and safety compliance for sale and operation in the United States market.


02
Large-Capacity, Low-Pressure Air Buffer

The 100L volume at 8 bar provides a massive air reservoir to eliminate compressor short-cycling, ensure extremely stable system pressure, and support extended industrial operations.


03
Exceptional Connection Versatility

The configuration of 4xG1/2, 1xG1/4, and 2xG1-1/2 ports allows for highly flexible system integration, enabling multiple tool drops, main lines, and auxiliary connections.


04
Stable Design & Immediate Availability

The horizontal 350x1040mm design offers a secure, low-profile footprint, and its "in stock" status guarantees fast shipment for quick deployment and minimal project downtime.

YCZX Existing ASME Air Receiver Tanks

P/NPressure (bar)L*D*H(mm)Thickness(mm)Package Size(mm)Net Weight(KG)Gross Weight(KG)Ports
5L ASME13345*162*2093/55.53:G1/2, 2:G3/4
10L ASME13450*183*2353/7.98.42:G1/2, 1:G1/4,2:G3/4
20L ASME13540*243*3153/1212.52:G1/2, 2:G1/4,2:G3/4
40L ASME8686*293*3253/16174:G1/2, 1:G1/4, 2: G3/4
50L ASME8736*332*3923/20213:G1/2, 1:G1/4, 2: G3/4
60L  Vertical ASME8337*850*9683/24253:G1/2, 2:G3/4, 1: G1
80L ASME8870*370*4123/27.5283:G1/2, 1:G1/4, 2:G1-1/2
100L ASME81075*370*388.53/37.5384:G1/2, 1:G1/4, 2:G1-1/2
5L ASME12.5330*179*2272/4.24.22: G1/2,  1:G1/4, 2:G3/4
10L ASME12.5616*179*2522/6.3
2: G1/2,  1:G1/4, 2:G3/4
20L ASME12.5634*239*3042/7.48/2: G1/2,  1:G1/4, 2:G3/4



Get In Touch
Get In Touch
No. 725, Hongyang Road, Bacheng Town, Kunshan, Jiangsu Province
We use cookies to offer you a better browsing experience, analyze site traffic and personalize content. Part of the tracking is necessary to ensure SEO effectiveness,
By using this site, you agree to our use of cookies. Visit our cookie policy to learn more.
Reject Accept