The 40L volume at 12 bar provides a substantial air reservoir to dramatically reduce compressor cycling, ensure extremely stable system pressure, and support high-demand or multiple-tool operations.
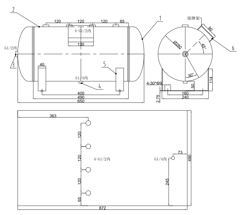
40L horizontal carbon steel air receiver tank, 12 bar working pressure, dimension Φ280×648mm. Equipped with 5×G1/2 and 1×G1/4 ports, stable structure, safe and reliable for air compressors and industrial pneumatic systems.
The 40L volume at 12 bar provides a substantial air reservoir to dramatically reduce compressor cycling, ensure extremely stable system pressure, and support high-demand or multiple-tool operations.
Built from robust carbon steel, it ensures long-term reliability and safe pressure containment, offering a cost-effective solution for heavy-duty industrial and workshop environments.
The horizontal 280x648mm form factor provides a secure, low-profile installation that conserves valuable floor space while maintaining excellent stability.
With 5xG1/2 and 1xG1/4 ports, it allows for extensive system integration, enabling connections for multiple tools, main lines, drains, gauges, and safety valves simultaneously.
| P/N | Pressure (bar) | L*D*H(mm) | Thickness(mm) | Package Size(mm) | Net Weight(KG) | Gross Weight(KG) | Ports |
| 1L | 12 | 175*125*108 | 3 | 180*180*240 | 1.3 | 1.6 | 3: G1/4 |
| 2L | 12 | 230*110*130 | 2 | 240*140*140 | 1.8 | 1.9 | 4: G1/4 |
| 3L-A | 12 | 160*160*220 | 2 | 180*180*240 | 1.9 | 2.15 | 4: G1/4 |
| 3L-B | 12 | 160*160*170 | 2 | 180*180*240 | 1.75 | 2.3 | 3: G1/4 |
| 3L-C | 12 | 200*140*180 | 2 | 230*170*195 | 1.95 | 2.15 | 3:G1/4, 1:G1/2 |
| 4L | 12 | 260*160*190 | 2 | 280*170*210 | 2.6 | 2.9 | 5: G1/4 |
| 5L-A | 12 | 300*160*190 | 2 | 320*170*125 | 3.15 | 3.45 | 5: G1/2 |
| 5L-B | 12 | 300*160*190 | 2 | 320*170*220 | 3.05 | 3.35 | 5:G1/4 |
| 5L-C | 12 | 355*140*160 | 2 | 370*150*180 | 3 | 3.35 | 5:G1/2 |
| 5L-D | 12 | 300*160*250 | 2 | 310*170*270 | 3.2 | 3.55 | 4:G1/2, 1:G1/4 |
| 5L-E | 12 | 270*160*190 | 2 | 280*180*200 | 2.6 | 2.9 | 3:G1/4, 2:G1/2 |
| 5L-H | 12 | 300*210*160 | 2 | 335*185*235 | 3.6 | 3.85 | 4:G1/4 |
| 5L high pressure | 50 | 290*159*249 | 5 | 300*180*260 | 6.6 | 7.6 | 3:G1/4, 2:G1/2 |
| 5L vertical | 12 | 300*200*350 | 2 | 300*200*350 | 3.8 | 4 | 6: G1/4 |
| 5L ASME | 13 | 345*162*209 | 3 | / | 5 | 5.5 | 3:G1/2, 2:G3/4 |
| 7L blue | 12 | 300*180*245 | 2 | 310*200*260 | 3.8 | 4.15 | 2:G1/2, 1: G3/8 |
| 7L grey | 12 | 385*180*225 | 2 | 395*190*240 | 4.15 | 4.55 | 3:G1/2, 2:G1/4 |
| 8L-B | 12 | 430*160*210 | 2 | 450*170*215 | 3.95 | 4.4 | 4:G1/2, 1:G1/4 |
| 10L-A | 12 | 470*180*185 | 2 | 490*200*215 | 4.65 | 5.15 | 2:G1/4, 2: G3/8 |
| 10L-B | 12 | 440*180*215 | 2.5 | 450*190*240 | 4.65 | 5.05 | 4:G1/2, 1:G1/4 |
| 10L-D | 12 | 447*180*260 | 2.5 | 467*200*280 | 5.05 | 5.35 | 4: G3/8, 2:G1/8, 1:G1-1/4 |
| 10L-E | 12 | 440*200*260 | 2.5 | 450*210*270 | 5.35 | 5.95 | 4:G1/2, 2:G1/4 |
| 10L-H | 12 | 465*200*275 | 2.5 | 460*200*280 | 6.65 | 7.15 | 3:G1/2, 3:G1/4 |
| 10L high pressure | 50 | 544*159*221 | 5 | 568*250*180 | 9.7 | 11 | 4:G1/2, 1:G1/4 |
| 10L Vertical | 12 | 460*180*520 | 2 | 530*250*255 | 4.45 | 5.1 | 4:G1/2, 1:G1/4 |
| 10L ASME | 13 | 450*183*235 | 3 | / | 7.9 | 8.4 | 2:G1/2, 1:G1/4,2:G3/4 |
| 10L CE | 12 | 562*188*269 | 3 | / | 9 | 9.5 | 3:G1/2, 1:G1/4,2:G1 |
| 12L-A | 12 | 320*236*318 | 2.5 | 330*250*330 | 4.75 | 5.35 | 3:G1/2, 1:G1/4 |
| 15L | 12 | 390*236*290 | 2.5 | 400*250*320 | 5.75 | 6.3 | 4:G1/2, 1:G1/4 |
| 20L-A | 12 | 360*280*335 | 2.5 | 390*300*350 | 8.7 | 9.4 | 4:G1/2, 1:G1/4 |
| 20L-B | 12 | 280*350*400 | 2.5 | 400*370*300 | 9.1 | 9.3 | 2:G1/2, 1:G1/4 |
| 20L-C | 12 | 240*315*440 | 2.5 | 450*315*250 | 8.25 | 8.55 | 2:G1/2, 2:G1/4 |
| 20L high pressure | 50 | 626*289*219 | 5 | 650*230*300 | 21.7 | 24 | 4:G1/2, 1:G1/4 |
| 20L Vertical | 12 | 350*280*462 | 2.5 | 480*330*300 | 9.4 | 10 | 4:G1/2, 1:G1/4 |
| 20L ASME | 13 | 540*243*315 | 3 | / | 12 | 12.5 | 2:G1/2, 2:G1/4,2:G3/4 |
| 20L CE | 12.5 | 714*223*296.5 | 3 | 13.5 | 14 | 3:G1/2, 1:G1/4,2:G1 | |
| 24L-A | 12 | 500*236*305 | 2.5 | 510*250*325 | 7.15 | 7.85 | 3:G1/2, 1:G1/4 |
| 24L-B | 12 | 500*236*261 | 2.5 | 520*250*275 | 7.1 | 7.75 | 7:G1/2, 1:G1/4 |
| 24L-C | 12 | 500*236*261 | 2.5 | 510*250*285 | 7 | 7.65 | 4:G1/2, 1:G1/4 |
| 24L-D | 12 | 500*236*261 | 2.5 | 535*246*310 | 7.15 | 8 | 3:G1/2, 1:G1/4, 1: G1 |
| 30L-A | 12 | 450*320*355 | 2.5 | 490*330*370 | 13.55 | 14.55 | 7:G1/2, 1:G1/4 |
| 30L-B | 12 | 450*320*350 | 2.5 | 490*330*370 | 13.55 | 14.44 | 4:G1/2, 1:G1/4 |
| 30L-C | 12 | 650*236*300 | 2.5 | 670*250*315 | 8.75 | 9.6 | 4:G1/2, 1:G1/4 |
| 30L Vertical | 10 | 500*280*600 | 2.5 | 620*320*290 | 11.5 | 12.3 | 4:G1/2, 1:G1/4 |
| 35L | 8 | 722*236*275 | 2.5 | 740*250*285 | 9.35 | 10.15 | 4:G1/2, 1:G1/4 |
| 40L | 12 | 650*280*330 | 2.5 | 670*290*355 | 14.25 | 15.2 | 5:G1/2, 1:G1/4 |
| 40L Vertical | 10 | 600*300*700 | 3 | 725*330*315 | 14.15 | 15.35 | 4:G1/2, 1:G1/4 |
| 40L with handle | 12 | 660*280*630 | 2.5 | 670*320*350 | 18.14 | 18.6 | 3:G1/2, 1:G1/4, 1: G3/4 |
| 40L ASME | 8 | 686*293*325 | 3 | / | 16 | 17 | 4:G1/2, 1:G1/4, 2: G3/4 |
| 8 | 686*293*325 | 4 | / | 16 | 17 | 4:G1/2, 1:G1/4, 2: G3/4 | |
| 45L | 12 | 530*320*380 | 3 | 580*340*395 | 14.95 | 16 | 4:G1/2, 1:G1/4 |
| 50L-A | 12 | 550*320*380 | 3 | 580*340*395 | 15.45 | 16.5 | 4:G1/2, 1:G1/4 |
| 50L-B | 12 | 712*300*392 | 3 | 720*310*400 | 16.35 | 17.5 | 6:G1/2, 1:G1/4 |
| 50L Vertical | 8 | 700*300*812 | 3 | 825*310*335 | 16.15 | 17.35 | 4:G1/2, 1:G1/4, 1: G1 |
| 50L ASME | 8 | 736*332*392 | 3 | / | 20 | 21 | 3:G1/2, 1:G1/4, 2: G3/4 |
| 50L CE | 8 | 736*332*392 | 3 | / | 20 | 21 | 3:G1/2, 1:G1/4, 2: G3/4 |
| 60L-A | 12 | 860*300*355 | 3 | 880*300*360 | 19.3 | 20.55 | 4:G1/2, 1:G1/4, 1: G1 |
| 60L Vertical | 10 | 850*300*962 | 3 | 972*320*330 | 18.55 | 19.85 | 5:G1/2, 1: G1 |
| 60L Vertical ASME | 8 | 337*850*968 | 3 | / | 24 | 25 | 3:G1/2, 2:G3/4, 1: G1 |
| 60L Vertical CE | 8 | 337*850*968 | 3 | / | 24 | 25 | 3:G1/2, 2:G3/4, 1: G1 |
| 60L CE | 12 | 940*325*362 | 3 | / | 24.5 | 25 | 3:G1/2, 1:G1/4, 2: G1 |
| 80L | 12 | 850*350*420 | 3 | / | 25.8 | 25.8 | 4:G1/2, 1:G1/4, 2: G1 |
| 80L Vertical | 12 | 650*470*482 | 3.5 | / | 25.2 | 25.2 | 5:G1/2, 1: G1 |
| 80L ASME | 8 | 870*370*412 | 3 | / | 27.5 | 28 | 3:G1/2, 1:G1/4, 2:G1-1/2 |
| 80L CE | 8 | 870*370*412 | 3 | / | 27.5 | 28 | 3:G1/2, 1:G1/4, 2:G1-1/2 |
| 100L-A | 12 | 1040*350*420 | 3 | / | 40.6 | 40.6 | 4:G1/2, 1:G1/4, 2:G1-1/4 |
| 100L-B | 8.4 | 1040*350*355 | 3 | / | 31.8 | 31.8 | 4:G1/2, 1:G1/4, 2: G1 |
| 100L ASME | 8 | 1075*370*388.5 | 3 | / | 37.5 | 38 | 4:G1/2, 1:G1/4, 2:G1-1/2 |
| 100L CE | 8 | 1075*370*388.5 | 3 | / | 37.5 | 38 | 4:G1/2, 1:G1/4, 2:G1-1/2 |
| 125L | 12 | 1000*400*450 | 3 | / | 36.5 | 36.5 | 5:G1/2, 1:G1/4, 2: G1 |
| 130L | 12 | 1050*400*456 | 3 | / | 38.1 | 38.1 | 2:G1-1/2 , 1:G1/4 |
| 150L | 8 | 1340*400*495 | 3.5 | / | 45 | 45 | 4:G1/2, 2:G1/4, 2:G1-1/4 |
| 180L with plate | 12 | 1400*400*485 | 3 | / | 60 | 60 | 2: G1-1/4, 1:G1/4, 6:G1/2 |
| 300L with plate | 12 | 1600*500*600 | 3 | / | 106 | 106 | 2: G2, 1:G1/4, 4:G1/4 |
| 500L with plate | 12 | 1700*600*760 | 3 | 1740*630*745 | 130 | 140 | 2: G2, 6:G1/2 |
| 100L-A Vertical | 10 | 1240*350*1400 | 3 | / | 38 | 38 | 2:G1/4, 1:G3/4, 2: G1 |
| 100L-B Vertical | 12 | 800*400*932 | 3 | / | 30 | 30 | 5:G1/2, 1:G1/4 |
| 300L-8 bar Vertical | 8 | φ550*1525 | 3 | / | 73 | 73 | DN25 |
| 300L-10bar Vertical | 10 | φ550*1525 | 3 | / | 82 | 82 | DN25 |
| 300L-13bar Vertical | 13 | φ550*1525 | 3.5 | / | 82 | 82 | DN25 |
| 300L-16bar Vertical | 16 | φ550*1525 | 4.5 | / | 105 | 105 | DN25 |
| 300L-30bar Vertical | 30 | φ550*1525 | 8 | / | 201 | 201 | DN40 |
| 300L-40bar Vertical | 40 | φ550*1525 | 10 | / | 230 | 230 | DN40 |
| 600L-8 bar Vertical | 8 | φ650*2050 | 3 | / | 112 | 112 | DN65 |
| 600L-10 bar Vertical | 10 | φ650*2050 | 3 | / | 118 | 118 | DN65 |
| 600L-13 bar Vertical | 13 | φ650*2050 | 3.5 | / | 132 | 132 | DN40 |
| 600L-16 bar Vertical | 16 | φ650*2050 | 4.5 | / | 170 | 170 | DN40 |
| 600L-30 bar Vertical | 30 | φ650*2050 | 8 | / | 310 | 310 | DN40 |
| 600L-40 bar Vertical | 40 | φ650*2050 | 10 | / | 420 | 420 | DN40 |
| 1m³-8 bar Vertical | 8 | φ800*2140 | 3.5 | / | 170 | 170 | DN80 |
| 1m³-10 bar Vertical | 10 | φ780*2080 | 3.5 | / | 156 | 156 | DN40 |
| 1m³-13 bar Vertical | 13 | φ780*2080 | 4.5 | / | 200 | 200 | DN40 |
| 1m³-16 bar Vertical | 16 | φ780*2080 | 5.5 | / | 286 | 286 | DN40 |
| 1m³-20 bar Vertical | 20 | φ800*2140 | 8 | / | 390 | 390 | DN40 |
| 1m³-30 bar Vertical | 30 | φ800*2140 | 10 | / | 472 | 472 | DN40 |
| 1m³-40 bar Vertical | 40 | φ800*2140 | 12 | / | 590 | 590 | DN40 |
| 1m³-60 bar Vertical | 60 | φ800*2322 | 20 | 1000 | 1000 | DN40,DN100 | |
| 1.5m³-8 bar Vertical | 8 | φ980*2180 | 4 | / | 240 | 240 | DN80 |
| 1.5m³-10 bar Vertical | 10 | φ980*2180 | 4.5 | / | 270 | 270 | DN80 |
| 1.5m³-13 bar Vertical | 13 | φ1000*2268 | 5.5 | / | 365 | 365 | DN50 |
| 1.5m³-30 bar Vertical | 30 | φ1000*2268 | 12 | / | 750 | 750 | DN80 |
| 2m³-8 bar Vertical | 8 | φ980*2680 | 4 | / | 295 | 295 | DN80 |
| 2m³-10 bar Vertical | 10 | φ980*2680 | 4.5 | / | 325 | 325 | DN50 |
| 2m³-13 bar Vertical | 13 | φ1000*2750 | 5.5 | / | 432 | 432 | DN80 |
| 2m³-16 bar Vertical | 16 | φ1000*2750 | 7 | / | 552 | 552 | DN80 |
| 2m³-20 bar Vertical | 20 | φ1000*2750 | 8 | / | 615 | 615 | DN50 |
| 2m³-25 bar Vertical | 25 | φ1000*2750 | 10 | 765 | 765 | DN50 | |
| 2m³-30 bar Vertical | 30 | φ1000*2750 | 12 | / | 905 | 905 | DN50 |
| 2m³-40 bar Vertical | 40 | φ1000*2750 | 16 | / | 1250 | 1250 | DN50 |
| 3m³-8 bar Vertical | 8 | φ1200*2800 | 4.5 | / | 430 | 430 | DN80 |
| 3m³-10 bar Vertical | 10 | φ1200*2800 | 5.5 | / | 545 | 545 | DN80 |
| 3m³-13 bar Vertical | 13 | φ1200*2870 | 7 | / | 625 | 625 | DN80 |
| 3m³-16 bar Vertical | 16 | φ1200*2870 | 8 | / | 740 | 740 | DN80 |
| 3m³-25 bar Vertical | 25 | φ1200*2870 | 12 | / | 1130 | 1130 | DN80 |
| 3m³-30 bar Vertical | 30 | φ1200*2800 | 14 | / | 1300 | 1300 | DN80 |
| 4m³-8 bar Vertical | 8 | φ1400*2870 | 5 | / | 680 | 680 | DN100 |
| 4m³-10 bar Vertical | 10 | φ1400*2870 | 6 | / | 780 | 780 | DN100 |
| 4m³-13 bar Vertical | 13 | φ1400*2950 | 8 | / | 920 | 920 | DN100 |
| 5m³-8 bar Vertical | 8 | φ1400*3450 | 5 | / | 790 | 790 | DN100 |
| 5m³-10 bar Vertical | 10 | φ1400*3470 | 6 | / | 860 | 860 | DN100 |
| 5m³-13 bar Vertical | 13 | φ1400*3550 | 8 | / | 1065 | 1065 | DN100 |
| 6m³-8 bar Vertical | 8 | φ1400*4100 | 5 | / | 816 | 816 | DN100 |
| 6m³-10 bar Vertical | 10 | φ1400*4100 | 6 | / | 1030 | 1030 | DN100 |
| 8m³-8 bar Vertical | 8 | φ1600*4100 | 5.5 | / | 1140 | 1140 | DN125 |
| 8m³-10 bar Vertical | 10 | φ1600*4100 | 6.5 | / | 1350 | 1350 | DN125 |
| 8m³-16 bar Vertical | 16 | φ1600*4070 | 10 | / | 1820 | 1820 | DN125 |
| 8m³-20 bar Vertical | 20 | φ1600*4070 | 12 | / | 2490 | 2490 | DN125/DN400 |
| 10m³-8 bar Vertical | 8 | φ1800*4162 | 6 | / | 1380 | 1380 | DN150 |
| 10m³-10 bar Vertical | 10 | φ1800*4166 | 7.5 | / | 1640 | 1640 | DN250 |
| 10m³-13bar Vertical | 13 | φ1800*4166 | 10 | / | 2080 | 2080 | DN150 |
| 10m³-16bar Vertical | 16 | φ1800*4166 | 12 | / | 2615 | 2615 | DN150 |
| 15m³-10bar Vertical | 10 | φ2000*5100 | 8 | / | 2280 | 2280 | DN150 |
| 20m³-8 bar Vertical | 8 | φ2100*6150 | 7 | / | 2580 | 2580 | DN200 |
| 20m³-10 bar Vertical | 10 | φ2100*6150 | 8.5 | / | 3090 | 3090 | DN200 |
| 20m³-16 bar Vertical | 16 | φ2100*6150 | 12 | 4570 | 4570 | DN200 | |
| 25m³-8 bar Vertical | 8 | φ2400*6080 | 9 | / | 3810 | 3810 | DN200 |